聯系電話:0415-6178555
公司地址:遼寧省丹東市儀器儀表產業基地一期4號3F
產品詳情:
多用戶電能表采用模塊化結構,結構合理,功能完善。以2片單片微控器為核心,完成用戶用電參數采集,電能計算、處理、存儲及用戶用電控制,為用戶提供了多種功能選擇
概述:
多用戶電能表采用模塊化結構,結構合理,功能完善。以2片單片微控器為核心,完成用戶用電參數采集,電能計算、處理、存儲及用戶用電控制,為用戶提供了多種功能選擇。電表按照負載接入方式,有直接接入式和互感器類電表2個系列。
直接接入式單表,精度:1.0級,產品最大出線數量:36線,互感器接入電表,精度:0.5S,產品最大出線數量:24線,
技術指標
直接接入式電能表:
額定電壓:AC 3×220/380V
精度等級:1.0級
標定電流: 10(40)A、15(60)A
脈沖常數:900imp/Kw.H
電量分度:0.1度
使用環境溫度:-25°C ~ 55°C
互感器型電能表:
額定電壓:AC 3×220/380V
精度等級:0.5S
標定電流:1.5(6)A
脈沖常數:5000imp/Kw.H
電量分度:0.01度
使用環境溫度:-25°C ~ 55°C
功能及特點
■循環顯示各戶的用電量,顯示清晰直觀
■采用雙 P U結構,功能強,性能優。
■具有計算機遠程抄表功能。
■表殼一次沖壓成形,密封性好
■采用專用接線端子,雙螺栓壓線,使用安全可靠。
■同一塊多用戶電表可同時提供單相輸出和三相輸出
■通訊電路設計穩定,能有效避免因雷擊等因素造成的信號干擾。
■用高精度電流互感器,工作時不發熱,電氣隔離效果好,超負荷能力強,使用壽命長。
■可根據用戶要求提供通訊接口函數,便于用戶將用電量信息融入到本單位的管理信息系統中
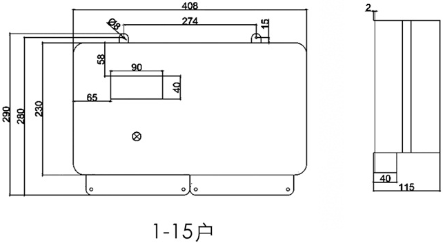
外形及開孔尺



接線方式
傳真:0415-6226678
郵箱:ddentdq@163.com
地址:遼寧省丹東市儀器儀表產業基地一期4號3F
Copyright ? 丹東伊諾特電氣有限公司 All Rights Reserved. 遼ICP備11009736號-1